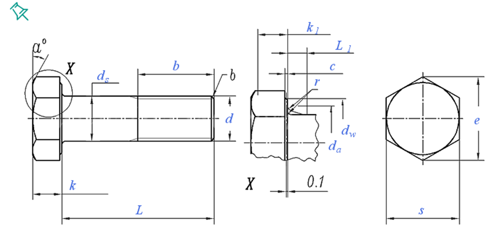
สกรูและสลักเกลียวหกเหลี่ยมภายนอกเป็นตัวยึดพื้นฐานที่ได้รับการยอมรับสำหรับการออกแบบหัวหกด้านของพวกเขาออกแบบมาเพื่อส่งมอบการส่งแรงบิดสูงและความเสถียรเชิงกลในการใช้งานอุตสาหกรรม ผลิตจากเหล็กกล้าคาร์บอน (เกรด 8.8, 10.9, หรือ 12.9) หรือโลหะผสมที่กำหนดเองตัวยึดเหล่านี้มีตั้งแต่ M1.6 M1.6 ขนาดเล็กไปจนถึงเส้นผ่านศูนย์กลาง M64 ที่ใช้งานหนักโดยมีความยาวซึ่งครอบคลุม 12 มม. ถึง 500 มม. เพื่อรองรับข้อกำหนดการรับน้ำหนักที่หลากหลาย หัวหกเหลี่ยมภายนอกช่วยให้การมีส่วนร่วมของประแจหรือซ็อกเก็ตทำให้มั่นใจได้ว่าการกระชับอย่างปลอดภัยในพื้นที่ จำกัด - สำคัญสำหรับการประกอบกรอบเครื่องจักรข้อต่อเหล็กโครงสร้างหรือส่วนประกอบยานยนต์ที่ความต้านทานการสั่นสะเทือนเป็นสิ่งสำคัญยิ่ง
การรักษาพื้นผิวเช่นการต่อสู้แบบจุ่มชุบสังกะสีการต่อสู้ในสภาพแวดล้อมกลางแจ้ง (เช่นสะพาน, หอส่งสัญญาณ) ในขณะที่การเคลือบออกไซด์สีดำลดการสะท้อนแสงในเลนส์ที่แม่นยำหรือฮาร์ดแวร์ทางทหาร การตกแต่งแบบพิเศษเช่น PTFE หรือสีอิเล็กโทรฟอเรติกช่วยเพิ่มความต้านทานทางเคมีสำหรับใช้ในโรงงานแปรรูปเคมีหรืออุปกรณ์ทางทะเล การเข้ารหัสสีที่กำหนดเอง (สีน้ำเงิน, สีแดง) ช่วยในการจัดการสินค้าคงคลังหรือโปรโตคอลความปลอดภัยการจัดอันดับโหลดที่แตกต่างหรือเกรดวัสดุในสถานที่ ด้วยความทนทานต่อด้ายที่ได้มาตรฐานและความต้านทานแรงดึงสลักเกลียวเหล่านี้เป็นไปตามข้อกำหนดของ ISO และ ASTM การปรับสมดุลต้นทุนให้กับประสิทธิภาพสำหรับอุตสาหกรรมตั้งแต่พลังงานหมุนเวียนไปจนถึงการผลิตหนัก ความสามารถในการปรับตัวของพวกเขาในวัสดุการเคลือบและการปรับขนาดทำให้พวกเขาเป็นโซลูชั่นสากลสำหรับวิศวกรที่จัดลำดับความสำคัญความทนทานความสะดวกในการติดตั้งและการปฏิบัติตามมาตรฐานเชิงกลที่เข้มงวด


























